数码之家

 找回密码
 立即注册

QQ登录

只需一步,快速开始

微信登录

微信扫一扫,快速登录

搜索
查看: 2777|回复: 4

[另类] 为啥长城电源DIY可调电源,尖啸,并炸2SC2625

[复制链接]
发表于 2019-8-6 13:54:50 | 显示全部楼层 |阅读模式

爱科技、爱创意、爱折腾、爱极致,我们都是技术控

您需要 登录 才可以下载或查看,没有账号?立即注册 微信登录

x
本帖最后由 亿威 于 2019-8-6 13:59 编辑


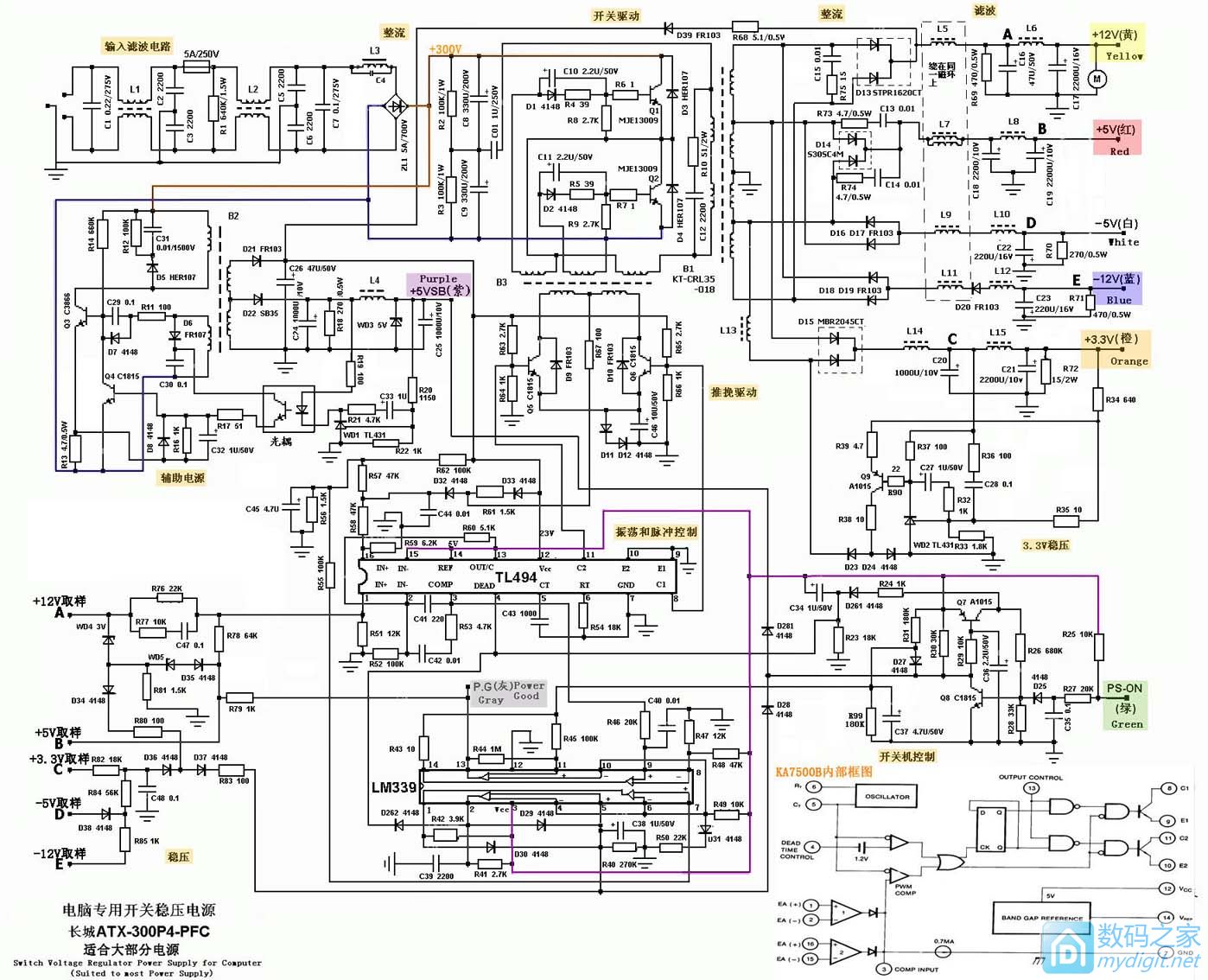
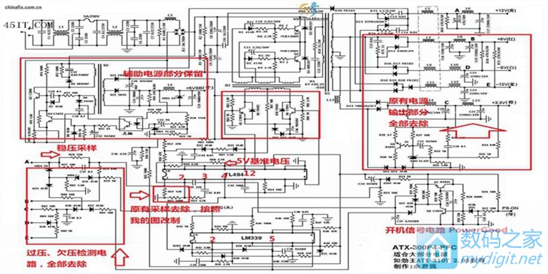
旧电源改的,是元件不良?还是哪里弄错了?



我电源主板上,Q1 Q2 为 2SC2625 ,其中Q2炸开

打赏

参与人数 1家元 +3 收起 理由
manzxq + 3 謝謝分享

查看全部打赏

发表于 2019-8-9 14:52:40 | 显示全部楼层
游客请登录后查看回复内容
回复 支持 反对

使用道具 举报

 楼主| 发表于 2019-8-6 14:15:34 | 显示全部楼层
游客请登录后查看回复内容
回复 支持 反对

使用道具 举报

发表于 2019-8-6 14:08:14 | 显示全部楼层
游客请登录后查看回复内容
回复 支持 反对

使用道具 举报

 楼主| 发表于 2019-8-6 13:58:53 | 显示全部楼层
游客请登录后查看回复内容
回复 支持 反对

使用道具 举报

您需要登录后才可以回帖 登录 | 立即注册 微信登录

本版积分规则

APP|手机版|小黑屋|关于我们|联系我们|法律条款|技术知识分享平台

闽公网安备35020502000485号

闽ICP备2021002735号-2

GMT+8, 2025-12-22 15:10 , Processed in 0.483601 second(s), 15 queries , Gzip On, Redis On.

Powered by Discuz!

© 2006-2025 MyDigit.Net

快速回复 返回顶部 返回列表