数码之家

 找回密码
 立即注册

QQ登录

只需一步,快速开始

微信登录

微信扫一扫,快速登录

搜索
查看: 8238|回复: 35

[工仪] 自制jbc 245 焊台,加了外壳的初步样子

[复制链接]
发表于 2021-11-21 21:23:04 | 显示全部楼层 |阅读模式
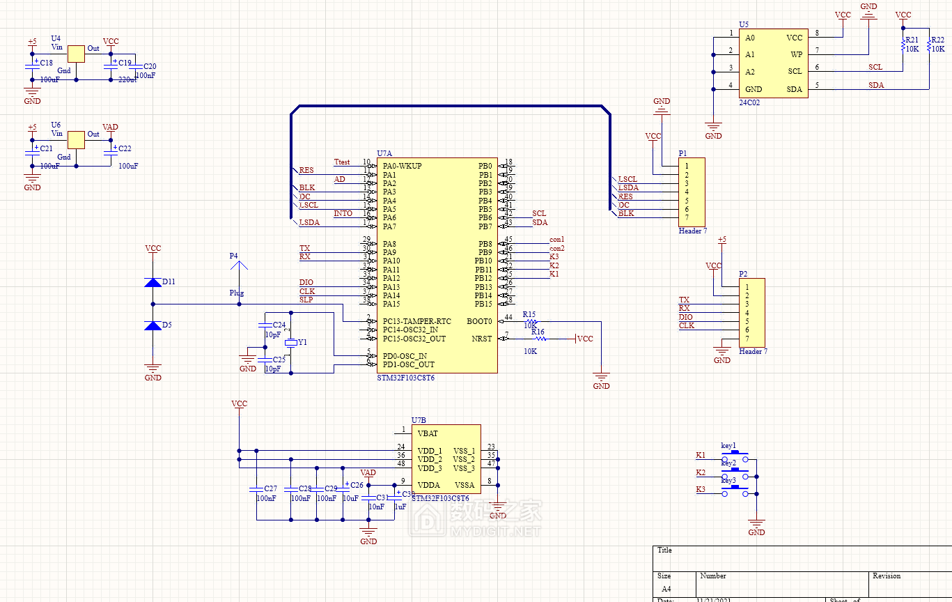
前一段时间发了个帖子,介绍了自制的焊台,苦于一直没有外壳。
最近闲的,又折腾了一下,初步就是这个样子了。

本帖子中包含更多资源

您需要 登录 才可以下载或查看,没有账号?立即注册 微信登录

x

打赏

参与人数 6家元 +199 收起 理由
21780460 + 49
刘义兴 + 20
10655188 + 10
邓穿石 + 20
jf201006 + 20 原創內容

查看全部打赏

 楼主| 发表于 2021-11-21 21:31:33 | 显示全部楼层
游客请登录后查看回复内容

打赏

参与人数 1家元 +10 收起 理由
gllovewy + 10

查看全部打赏

回复 支持 3 反对 0

使用道具 举报

发表于 2021-11-21 22:10:56 | 显示全部楼层
游客请登录后查看回复内容
回复 支持 1 反对 0

使用道具 举报

发表于 2021-11-21 22:28:32 来自手机浏览器 | 显示全部楼层
游客请登录后查看回复内容
回复 支持 反对

使用道具 举报

发表于 2021-11-21 22:33:10 | 显示全部楼层
游客请登录后查看回复内容
回复 支持 反对

使用道具 举报

发表于 2021-11-22 09:32:11 | 显示全部楼层
游客请登录后查看回复内容
回复 支持 反对

使用道具 举报

 楼主| 发表于 2021-11-22 22:55:11 来自手机浏览器 | 显示全部楼层
游客请登录后查看回复内容
回复 支持 反对

使用道具 举报

发表于 2021-11-23 14:06:40 | 显示全部楼层
游客请登录后查看回复内容
回复 支持 1 反对 0

使用道具 举报

发表于 2021-11-23 14:09:55 | 显示全部楼层
游客请登录后查看回复内容
回复 支持 反对

使用道具 举报

发表于 2021-11-23 17:23:37 | 显示全部楼层
游客请登录后查看回复内容
回复 支持 反对

使用道具 举报

发表于 2021-11-24 00:32:51 | 显示全部楼层
游客请登录后查看回复内容
回复 支持 反对

使用道具 举报

发表于 2021-11-24 01:24:51 来自手机浏览器 | 显示全部楼层
游客请登录后查看回复内容
回复 支持 反对

使用道具 举报

发表于 2021-11-25 08:20:17 | 显示全部楼层
游客请登录后查看回复内容
回复 支持 反对

使用道具 举报

发表于 2021-11-25 10:22:43 | 显示全部楼层
游客请登录后查看回复内容
回复 支持 反对

使用道具 举报

发表于 2021-11-26 16:07:40 | 显示全部楼层
游客请登录后查看回复内容
回复 支持 反对

使用道具 举报

发表于 2021-11-26 18:04:50 | 显示全部楼层
游客请登录后查看回复内容
回复 支持 反对

使用道具 举报

发表于 2021-11-30 00:25:34 | 显示全部楼层
游客请登录后查看回复内容
回复 支持 反对

使用道具 举报

发表于 2021-11-30 19:44:26 | 显示全部楼层
游客请登录后查看回复内容
回复 支持 反对

使用道具 举报

发表于 2021-11-30 20:59:26 | 显示全部楼层
游客请登录后查看回复内容
回复 支持 反对

使用道具 举报

 楼主| 发表于 2021-11-30 21:06:58 来自手机浏览器 | 显示全部楼层
游客请登录后查看回复内容
回复 支持 反对

使用道具 举报

您需要登录后才可以回帖 登录 | 立即注册 微信登录

本版积分规则

APP|手机版|小黑屋|关于我们|联系我们|法律条款|技术知识分享平台

闽公网安备35020502000485号

闽ICP备2021002735号-2

GMT+8, 2025-12-18 12:37 , Processed in 0.280801 second(s), 13 queries , Gzip On, Redis On.

Powered by Discuz!

© 2006-2025 MyDigit.Net

快速回复 返回顶部 返回列表