数码之家

 找回密码
 立即注册

QQ登录

只需一步,快速开始

微信登录

微信扫一扫,快速登录

搜索
查看: 12804|回复: 55

[家电] 简单粗暴改造不能开机的雅马哈HTR-5140功放(RX-V495)并改桥接

  [复制链接]
发表于 2021-8-10 09:56:46 | 显示全部楼层 |阅读模式
本帖最后由 zzy_85569381 于 2021-8-17 22:49 编辑

一位朋友让我帮修一台雅马哈HTR-5140功放,说是不能开机。我让他先检查保险有没有烧,他说保险完好,不知道哪里坏了,于是就到我这来了。我初步查了一下,辅助供电正常,开机按钮是轻触开关,然后到一个主控芯片XU945,按开机键,有电平到主控,但主控无输出到开机继电器的高电平。后来网上找了好久,终于找到图纸了,这款HTR-5140和RX-V495应该是同款产品,图纸共用。已增加扬声器保护电路,详见5楼(20210816更新)。中置通道已经改成低音炮,详见2楼后面部分(20210817)



改造思路:直接从音量电位器前输入音频信号,并把L和R信号分别用NE5532倒相,然后再分别送入RL和RR。这样L、R、RL、RR四路不仅可独立输出,而且L和RL,R和RR可以实现桥接模式。(详见2楼)

下面先来看看外观及构造


















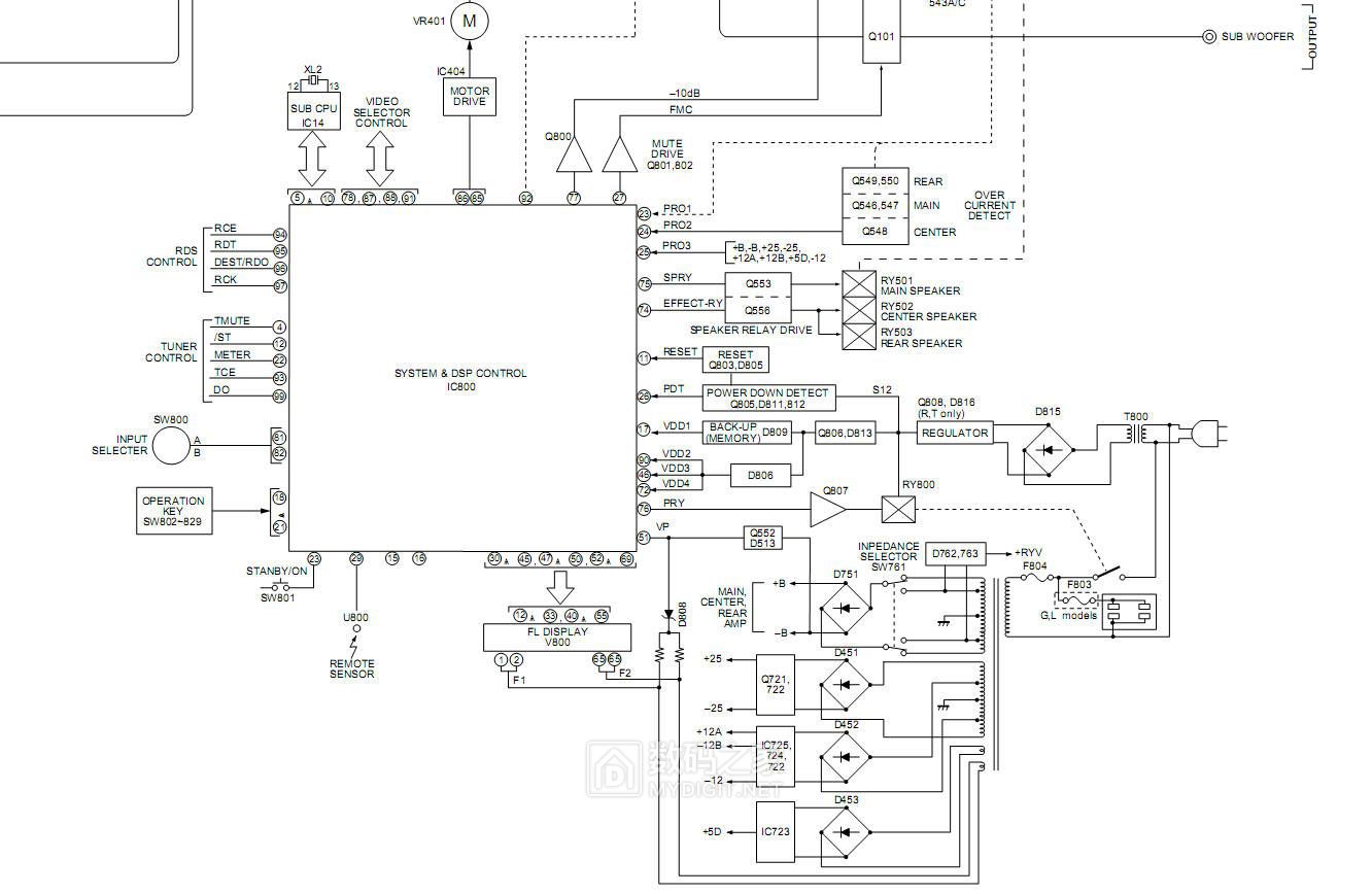
这个主控芯片任务非常重,啥都管,型号XU945,后来查就是LC87F65C8A芯片,内置ROM和RAM,单片机的干活啊主控的晶振也测过了,应该起振了。







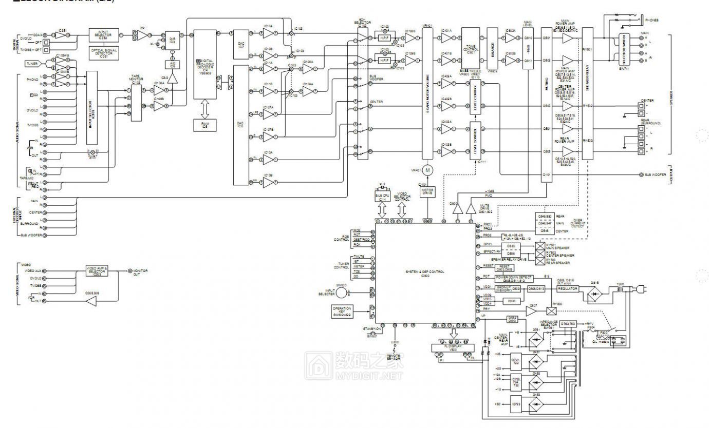
下图中,上方式功放信号的流程,下面的就是主控


看看这主控管多少事,显示、开机、继电器控制、双电源电压不平衡检测、过流保护、静音等等


所有控制就是通过左右两边接口


现在就是怀疑主控坏了,淘二手的控制板价格太高,后来琢磨了一下,干脆直通算了,反正音量、音调都能用。就是不显示,不能保护而已。




一共动五个地方:
1、音频输入信号用屏蔽线连到音量电位器板子上。
2、音量板的排线处理一下(用塑料屏蔽8根线),并接好来自输入信号的屏蔽线
3、跳两根线,L和RL联通,R和RR联通(这样主声道和环绕声都有声音了,除了中置没接信号外),改倒相,可以桥接。
4、到主控板的大排线断开,不然声音会衰减
5、连接开机信号,连接继电器信号
这样就可以听歌了,L和RL一样信号,R和RR一样信号。音量音调都能用,唯独没有喇叭开机延时和喇叭保护了,后面再琢磨一个保护电路加进去吧。

别急,下面详解。



next


本帖子中包含更多资源

您需要 登录 才可以下载或查看,没有账号?立即注册 微信登录

x

打赏

参与人数 11家元 +218 收起 理由
rallyezhang + 20 原創內容
sunnyquan + 20 優秀文章
沙漠臭屁虫 + 20
2n3055 + 20 謝謝分享
hongo + 20 優秀文章

查看全部打赏

 楼主| 发表于 2021-8-10 09:57:19 | 显示全部楼层
本帖最后由 zzy_85569381 于 2021-8-17 22:48 编辑




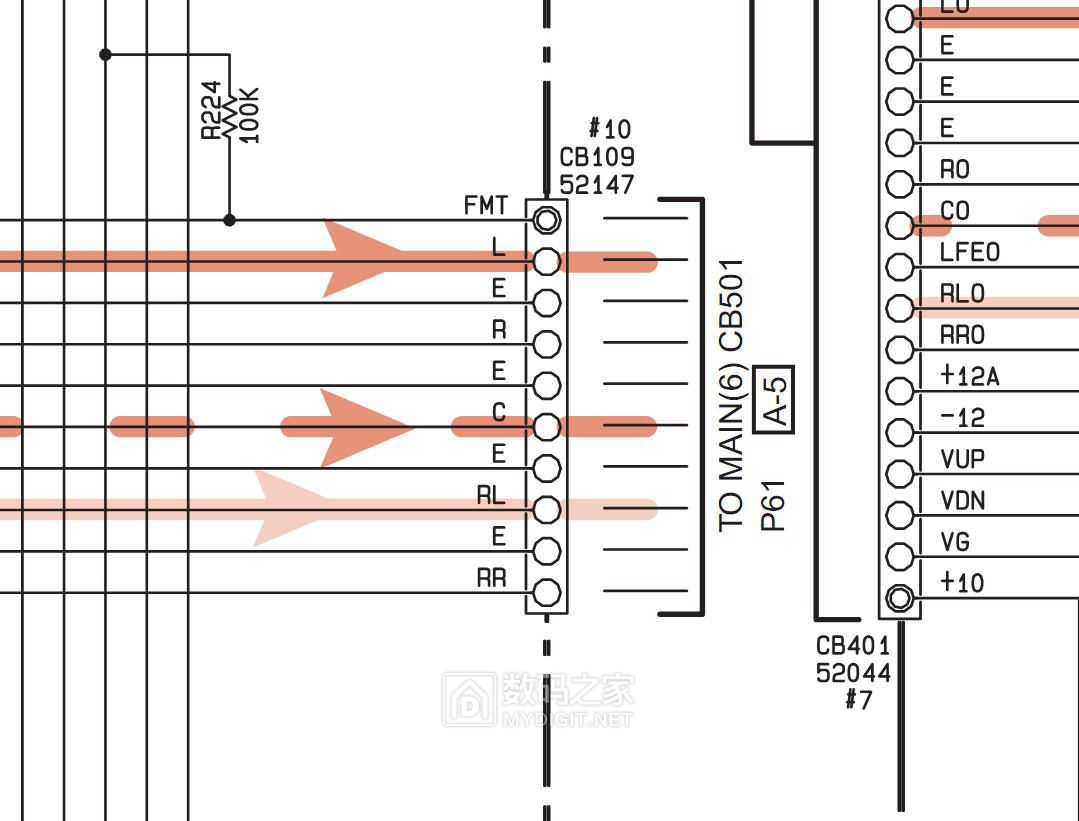
输入信号这里把R351和R354挑起来,然后音频屏蔽线接在输入端口上


音量板上左边8根针,用塑料屏蔽掉





然后,反面第一脚是L输入,第二三脚都是地线,第四脚是R输入,接好音频线


接下来 ,L和RL相连,R和RR相连








断开到主控板的那排最多的白排线







最后接好开机信号和继电器启动信号,(PRY是开机信号线,SPRY是左右声道继电器控制信号,CRY是环绕和中置声道继电器控制信号)





这就已经OK了






下面是音调板接口



------------------------------------------------------------------------------------------下面是改倒相,实现桥接模式的

用NE5532做的反相器

输入端接L和R,输出端接RL和RR,注意对应关系L对RL ,R对RR,不然桥接时就乱套了

三根白色线是运放双电源±12V供电









图中接法就是桥接模式,桥接时,黑色插孔不用
---------------------------------------------------------------------------------
下面是利用中置通道改的低音炮




















next







本帖子中包含更多资源

您需要 登录 才可以下载或查看,没有账号?立即注册 微信登录

x

打赏

参与人数 4家元 +80 收起 理由
newnet1234 + 20 認真發帖,浩大工程
2n3055 + 20 優秀文章
kkdkj + 20 謝謝分享
jf201006 + 20 原創內容

查看全部打赏

回复 支持 1 反对 0

使用道具 举报

 楼主| 发表于 2021-8-10 09:57:42 | 显示全部楼层
本帖最后由 zzy_85569381 于 2021-8-10 20:12 编辑

下面是一些功放内部细节部分



功放管是三肯的,5对,5个声道电路相同


上面的小板是低压供电板,两个7812,一个7805,一个7912




下面的变压器部分是辅助工地啊,通过启动变压器右边的继电器实现主变压器开机



下面是收音机板


数字板都在这个壳子里


变压器个头不小










五路差分输入电路


end





本帖子中包含更多资源

您需要 登录 才可以下载或查看,没有账号?立即注册 微信登录

x

打赏

参与人数 9家元 +180 收起 理由
rallyezhang + 20 原創內容
沙漠臭屁虫 + 20
2n3055 + 20 優秀文章
weizaisifang + 20 優秀文章
xiaoxuanfeng + 20 謝謝分享

查看全部打赏

回复 支持 1 反对 0

使用道具 举报

发表于 2021-8-10 10:17:22 | 显示全部楼层
个人水平有限,对带mcu的都不知道怎样维修。

打赏

参与人数 1家元 +6 收起 理由
zzy_85569381 + 6 歡迎探討

查看全部打赏

回复 支持 反对

使用道具 举报

 楼主| 发表于 2021-8-10 10:28:30 | 显示全部楼层
本帖最后由 zzy_85569381 于 2021-8-16 20:12 编辑
a006 发表于 2021-8-10 10:17
个人水平有限,对带mcu的都不知道怎样维修。

自制扬声器保护电路,安装在前面板上,代替原来的主控板


去掉前控制板,保留这个排线




这是用UPC1237做的扬声器保护电路















电源按键高度要消掉一点,不然太长没有间隙按不动

窗口区域在内部贴上了胶带遮丑:lol:





本帖子中包含更多资源

您需要 登录 才可以下载或查看,没有账号?立即注册 微信登录

x
回复 支持 反对

使用道具 举报

发表于 2021-8-10 12:04:36 | 显示全部楼层
主控坏了现在没法搞了,跳接能用也是很好的结果了

打赏

参与人数 1家元 +6 收起 理由
zzy_85569381 + 6 歡迎探討

查看全部打赏

回复 支持 反对

使用道具 举报

 楼主| 发表于 2021-8-10 14:59:02 | 显示全部楼层
ljlun 发表于 2021-8-10 12:04
主控坏了现在没法搞了,跳接能用也是很好的结果了

音质还不错,后期再改下扬声器保护就好了
回复 支持 反对

使用道具 举报

发表于 2021-8-10 20:37:21 来自手机浏览器 | 显示全部楼层
牛13啊,膜拜大神!

打赏

参与人数 1家元 +6 收起 理由
zzy_85569381 + 6 歡迎探討

查看全部打赏

回复 支持 反对

使用道具 举报

 楼主| 发表于 2021-8-10 21:48:06 | 显示全部楼层
baoshizhi 发表于 2021-8-10 20:37
牛13啊,膜拜大神!

只是废物利用,不想再往里砸钱了
回复 支持 反对

使用道具 举报

发表于 2021-8-10 21:59:10 | 显示全部楼层
过来学习一下~

打赏

参与人数 1家元 +6 收起 理由
zzy_85569381 + 6 歡迎探討

查看全部打赏

回复 支持 反对

使用道具 举报

 楼主| 发表于 2021-8-10 22:02:03 | 显示全部楼层
qrut 发表于 2021-8-10 21:59
过来学习一下~

还缺个扬声器保护电路,不知道UPC1237行不行?还没研究
回复 支持 反对

使用道具 举报

发表于 2021-8-11 04:01:54 来自手机浏览器 | 显示全部楼层
感谢大神分享

打赏

参与人数 1家元 +6 收起 理由
zzy_85569381 + 6 歡迎探討

查看全部打赏

回复 支持 反对

使用道具 举报

发表于 2021-8-11 11:29:49 | 显示全部楼层
分立元件DIY一个主控出来!:lol:

打赏

参与人数 1家元 +6 收起 理由
zzy_85569381 + 6 超出能力范围了

查看全部打赏

回复 支持 反对

使用道具 举报

 楼主| 发表于 2021-8-11 16:31:07 | 显示全部楼层
revery 发表于 2021-8-11 11:29
分立元件DIY一个主控出来!

改成桥接后,推我的卡包箱很强悍
回复 支持 反对

使用道具 举报

发表于 2021-8-12 09:50:30 | 显示全部楼层
佩服楼主,技术牛B。。。

打赏

参与人数 1家元 +6 收起 理由
zzy_85569381 + 6 歡迎探討

查看全部打赏

回复 支持 反对

使用道具 举报

发表于 2021-8-12 10:07:36 | 显示全部楼层
90年代的日本电器产品很复杂的,这个是大手术,手工比机器贵多了。
我很早修过一台V392是左右音量平衡坏了,直接短接去掉,小手术哈。
:lol:

打赏

参与人数 1家元 +6 收起 理由
zzy_85569381 + 6 这机器音质不错的

查看全部打赏

回复 支持 反对

使用道具 举报

发表于 2021-8-12 15:57:40 | 显示全部楼层
佩服佩服 一直想买个功放,苦于现在亚马逊海外购要么涨价要么缺货,先锋高端都是港水多一些,也难买,只有淘宝

打赏

参与人数 1家元 +6 收起 理由
zzy_85569381 + 6 雅马哈和马兰士的音质都不错

查看全部打赏

回复 支持 反对

使用道具 举报

发表于 2021-8-13 19:23:00 | 显示全部楼层
迈克老狼 发表于 2021-8-12 15:57
佩服佩服 一直想买个功放,苦于现在亚马逊海外购要么涨价要么缺货,先锋高端都是港水多一些,也难买,只有 ...

数字功放现在也不差,考虑一下

打赏

参与人数 1家元 +6 收起 理由
zzy_85569381 + 6 歡迎探討

查看全部打赏

回复 支持 反对

使用道具 举报

发表于 2021-8-13 23:17:47 | 显示全部楼层
x067 发表于 2021-8-13 19:23
数字功放现在也不差,考虑一下

是的  等待好价出现

打赏

参与人数 1家元 +6 收起 理由
zzy_85569381 + 6 歡迎探討

查看全部打赏

回复 支持 1 反对 0

使用道具 举报

您需要登录后才可以回帖 登录 | 立即注册 微信登录

本版积分规则

APP|手机版|小黑屋|关于我们|联系我们|法律条款|技术知识分享平台

闽公网安备35020502000485号

闽ICP备2021002735号-2

GMT+8, 2025-10-31 04:57 , Processed in 0.140400 second(s), 11 queries , Gzip On, Redis On.

Powered by Discuz!

© 2006-2025 MyDigit.Net

快速回复 返回顶部 返回列表