数码之家

 找回密码
 立即注册

QQ登录

只需一步,快速开始

微信登录

微信扫一扫,快速登录

搜索
查看: 34936|回复: 114

[电源] 改5V/40A/200W LED电源为0~50V可调电源

    [复制链接]
发表于 2019-3-1 20:07:11 | 显示全部楼层 |阅读模式
本帖最后由 zyx18989 于 2019-3-2 09:08 编辑

拆一个5V200W40A的LED电源,改为0---50可调电源。首先得加一个12---20v的辅助电源,先改一个5v手机充电器为18v,这种手机充电器比较好改在原来的稳压管(6.2v)再串一个稳压管即可,
我加了一个12v的,改后输出为18v,加到电源板测电流为20mA

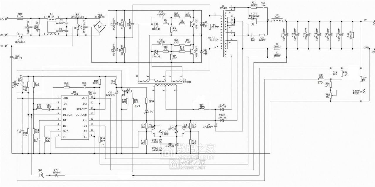
原来电源板电路图,网上搜的,我把电压电流保护电路稳压管画上了

改造后的图,只调电压不调电流,辅助电源18v接到断开的两个二极管处,电容c9上。


拆开变压器看到5V线圈是2组11股漆包线并绕的,想达到50V得从绕线圈,比较麻烦。
把原来的2组线圈各改为5组串联即可达到50V电压。变压器最外层是芯片工作电源线圈
7500供电电压线圈是5圈

因为用辅助电源所以这组线圈没用了拆除,下面的绕组是初级高压线圈
它是分为两组绕的,一半绕在最里面,一半绕在最外面,不动了。


开始把5V线圈串联起来,两根为一组,一定要测量准确,否则会出问题的。

5组都连接好了,线圈按原来的一端接地,一端输出,方向相反

8个连接焊头



用纸把它们隔离开以免短路




这是电路板

辅助电源已经固定好了,输出电容换了一个1000微法/50V的

辅助电源整流管滤波电容可以去掉,正极串一个10---100欧姆阻接到300V即可

装上变压器,输出二极管利用原来7500电源整流管,以后换。得加散热片

焊下5根取样电阻康铜丝,原来是40A用5根并联

保留一根康铜丝,输出电容又加了一个,两个1000微法/50V的并联

安上双显表头,开始调压0V起调

1.3V

5V

10V

20V

30V

40V

50V


电压没问题,电流因为二极管是利用原来7500工作电压整流管电流最大1A
用了两个并联全波整流,输出为2A,因为是200W电压所以更换肖特基二极管50V可以达到4A

本帖子中包含更多资源

您需要 登录 才可以下载或查看,没有账号?立即注册 微信登录

x

打赏

参与人数 12 +3 家元 +175 收起 理由
10655188 + 12 謝謝分享
yzs8414 + 20 原創內容
vicdoo + 18 以資鼓勵
kyhwhb + 10 原創內容
szmt + 10

查看全部打赏

发表于 2019-3-1 20:26:36 | 显示全部楼层
游客请登录后查看回复内容
回复 支持 1 反对 0

使用道具 举报

发表于 2019-3-1 21:15:06 | 显示全部楼层
游客请登录后查看回复内容
回复 支持 1 反对 0

使用道具 举报

 楼主| 发表于 2019-3-2 07:49:12 | 显示全部楼层
游客请登录后查看回复内容
回复 支持 1 反对 0

使用道具 举报

 楼主| 发表于 2019-3-2 09:24:23 | 显示全部楼层
游客请登录后查看回复内容
回复 支持 反对

使用道具 举报

发表于 2019-3-2 09:28:57 | 显示全部楼层
游客请登录后查看回复内容
回复 支持 1 反对 0

使用道具 举报

发表于 2019-3-2 10:26:19 | 显示全部楼层
游客请登录后查看回复内容
回复 支持 1 反对 0

使用道具 举报

 楼主| 发表于 2019-3-2 10:59:40 | 显示全部楼层
游客请登录后查看回复内容
回复 支持 1 反对 0

使用道具 举报

发表于 2019-3-2 12:54:26 来自手机浏览器 | 显示全部楼层
游客请登录后查看回复内容
回复 支持 2 反对 0

使用道具 举报

发表于 2019-3-2 12:54:59 来自手机浏览器 | 显示全部楼层
游客请登录后查看回复内容
回复 支持 反对

使用道具 举报

发表于 2019-3-2 14:15:22 | 显示全部楼层
游客请登录后查看回复内容
回复 支持 1 反对 0

使用道具 举报

发表于 2019-3-2 15:36:46 来自手机浏览器 | 显示全部楼层
游客请登录后查看回复内容
回复 支持 反对

使用道具 举报

发表于 2019-3-2 15:37:33 来自手机浏览器 | 显示全部楼层
游客请登录后查看回复内容
回复 支持 反对

使用道具 举报

发表于 2019-3-2 20:47:38 | 显示全部楼层
游客请登录后查看回复内容
回复 支持 1 反对 0

使用道具 举报

发表于 2019-3-2 21:34:07 | 显示全部楼层
游客请登录后查看回复内容
回复 支持 1 反对 0

使用道具 举报

发表于 2019-3-2 22:53:07 | 显示全部楼层
游客请登录后查看回复内容
回复 支持 反对

使用道具 举报

发表于 2019-3-3 18:50:39 | 显示全部楼层
游客请登录后查看回复内容
回复 支持 1 反对 0

使用道具 举报

发表于 2019-3-3 18:56:24 来自手机浏览器 | 显示全部楼层
游客请登录后查看回复内容
回复 支持 反对

使用道具 举报

 楼主| 发表于 2019-3-3 21:47:41 | 显示全部楼层
游客请登录后查看回复内容
回复 支持 反对

使用道具 举报

 楼主| 发表于 2019-3-3 21:48:58 | 显示全部楼层
游客请登录后查看回复内容
回复 支持 反对

使用道具 举报

您需要登录后才可以回帖 登录 | 立即注册 微信登录

本版积分规则

APP|手机版|小黑屋|关于我们|联系我们|法律条款|技术知识分享平台

闽公网安备35020502000485号

闽ICP备2021002735号-2

GMT+8, 2025-12-16 07:01 , Processed in 0.296400 second(s), 14 queries , Gzip On, Redis On.

Powered by Discuz!

© 2006-2025 MyDigit.Net

快速回复 返回顶部 返回列表