数码之家

 找回密码
 立即注册

QQ登录

只需一步,快速开始

微信登录

微信扫一扫,快速登录

搜索
查看: 1746|回复: 98

[综合] 纯水机————双高压开关控制以增加高低压差的思路

[复制链接]
发表于 2025-6-7 11:13:13 | 显示全部楼层 |阅读模式
本帖最后由 欧根 于 2025-6-7 16:26 编辑

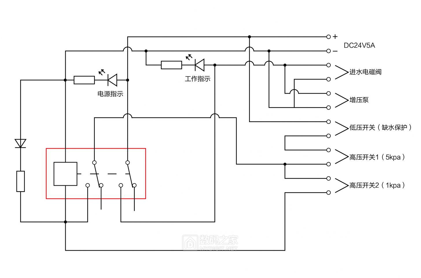
传统纯水机高压控制采用普通高压开关,有拆解贴:https://www.mydigit.cn/forum.php ... d=505473&highlight=。但对于有桶系统,高压开关有个缺点:就是启/停压力差太小了,虽然压力值是可以调节,但改变不了压力差,如此一来,储水桶内压力稍有下降,系统即启动制水,造成机器会启动频繁,且储水桶始终处于浅循环状态。

为了解决这个问题,后期装机我都采用数字压力表方案:https://www.mydigit.cn/thread-383989-1-1.html,数字压力表有拆解贴:https://www.mydigit.cn/forum.php ... d=511567&highlight=。这个方案固然解决了启/停压力差问题,但是体积大、成本高、设置麻烦。

一直在思考改造传统高压开关以增大启/停压力差,但受限于条件,没能成功,改弦更张,想用两个高压开关来实现,于是构思了以下方案,请坛友们斧正!

将两个高压开关串连在纯水机高压侧,一个将动作压力调节为5kpa,另一个调节为1kpa,通过双刀双掷继电器自锁,实现储水桶压力低于1kpa后启动,高于5kpa时停止。

我们将动作压力调节为5kpa的高压开关命名为高压开关1
将动作压力调节为1kpa的高压开关命名为高压开关2

1、当储水桶压力低于1kpa时,两个高压开关都导通,电流通过低压开关(停水保护用的)→高压开关1→高压开关2→继电器,继电器吸合同时自锁,进水电磁阀和增压泵启动,纯水机工作;

2、当储水桶压力上升到1kpa以上但低于5kpa时,高压开关2断开,电流通过低压开关→高压开关1→继电器自锁,纯水机继续工作;

3、当储水桶压力上升到5kpa时,高压开关1断开,继电器断电释放,纯水机停机待机;

4、当用水后,储水桶压力下降到低于5kpa但高于1kpa时,高压开关1导通,但此时高压开关2未导通,继电器无吸合电流,纯水机继续待机;

5、当大量用水后,储水桶压力低于1kpa时,高压开关2导通,继电器得电吸合并自锁,系统回到1状态,纯水机工作。

如此循环。




…………………………………………………………………………分      割      线…………………………………………………………………………

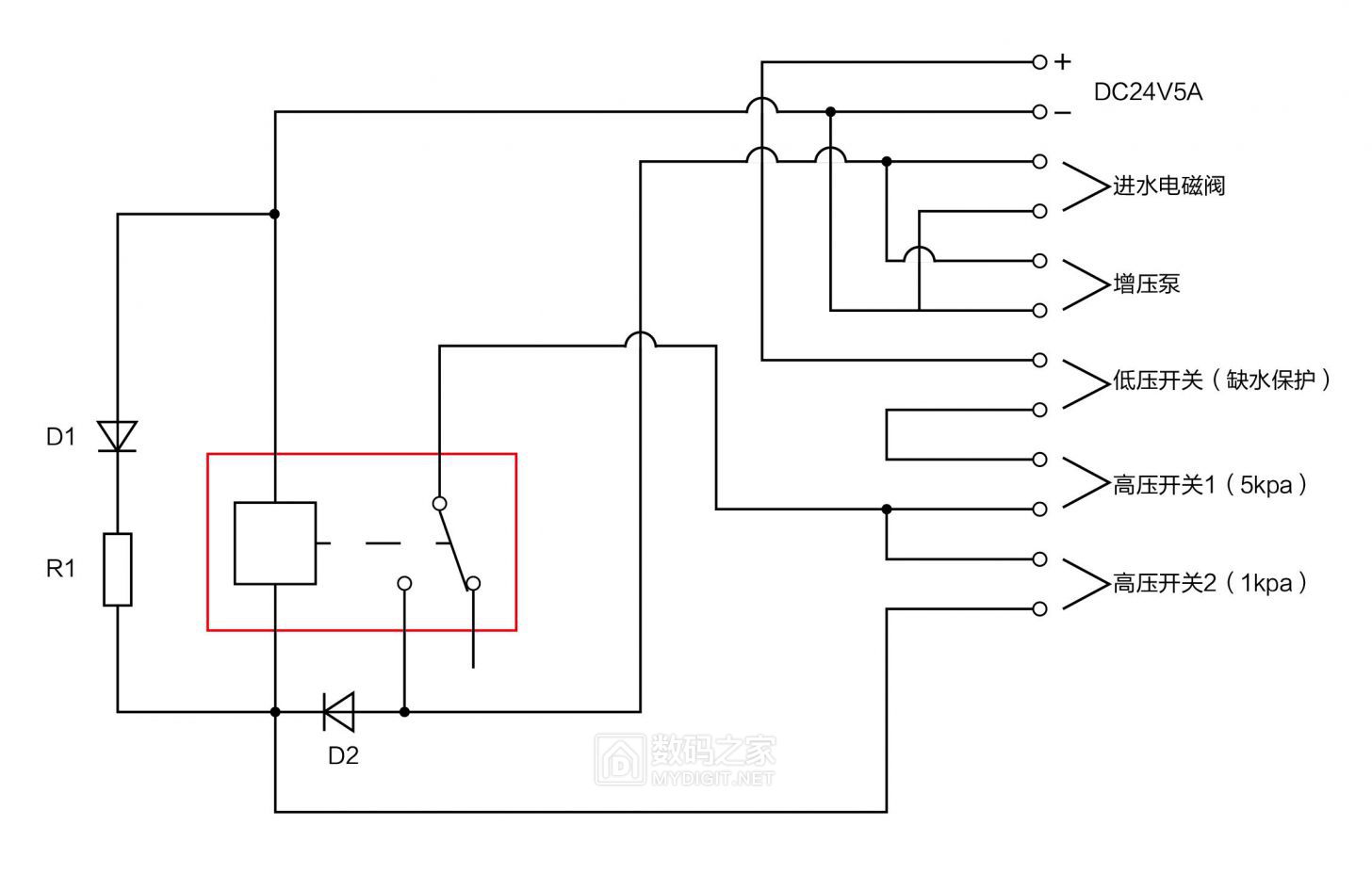
想了又想,还是搞复杂了,用单刀双掷的继电器就可以了:



D2好像也可以不要,更简单。

本帖子中包含更多资源

您需要 登录 才可以下载或查看,没有账号?立即注册 微信登录

x

打赏

参与人数 3家元 +93 收起 理由
海上生明月丶 + 18
家睦 + 60
8139 + 15 謝謝分享

查看全部打赏

 楼主| 发表于 2025-6-7 11:21:21 | 显示全部楼层
游客请登录后查看回复内容
回复 支持 反对

使用道具 举报

发表于 2025-6-7 12:55:50 | 显示全部楼层
游客请登录后查看回复内容

打赏

参与人数 1家元 +30 收起 理由
ljlun + 30 熱心會員

查看全部打赏

回复 支持 反对

使用道具 举报

发表于 2025-6-7 13:06:20 | 显示全部楼层
游客请登录后查看回复内容
回复 支持 反对

使用道具 举报

 楼主| 发表于 2025-6-7 14:22:37 | 显示全部楼层
游客请登录后查看回复内容
回复 支持 反对

使用道具 举报

 楼主| 发表于 2025-6-7 14:23:10 | 显示全部楼层
游客请登录后查看回复内容
回复 支持 反对

使用道具 举报

发表于 2025-6-7 14:35:48 来自手机浏览器 | 显示全部楼层
游客请登录后查看回复内容
回复 支持 反对

使用道具 举报

 楼主| 发表于 2025-6-7 14:40:32 | 显示全部楼层
游客请登录后查看回复内容
回复 支持 反对

使用道具 举报

发表于 2025-6-7 14:44:24 来自手机浏览器 | 显示全部楼层
游客请登录后查看回复内容
回复 支持 反对

使用道具 举报

 楼主| 发表于 2025-6-7 15:15:15 | 显示全部楼层
游客请登录后查看回复内容
回复 支持 反对

使用道具 举报

发表于 2025-6-7 15:55:42 | 显示全部楼层
游客请登录后查看回复内容
回复 支持 反对

使用道具 举报

 楼主| 发表于 2025-6-7 16:13:14 | 显示全部楼层
游客请登录后查看回复内容
回复 支持 反对

使用道具 举报

发表于 2025-6-7 17:17:17 | 显示全部楼层
游客请登录后查看回复内容
回复 支持 反对

使用道具 举报

 楼主| 发表于 2025-6-8 08:16:03 | 显示全部楼层
游客请登录后查看回复内容
回复 支持 反对

使用道具 举报

发表于 2025-6-8 11:32:13 | 显示全部楼层
游客请登录后查看回复内容
回复 支持 反对

使用道具 举报

发表于 2025-6-8 12:18:50 | 显示全部楼层
游客请登录后查看回复内容

本帖子中包含更多资源

您需要 登录 才可以下载或查看,没有账号?立即注册 微信登录

x
回复 支持 反对

使用道具 举报

发表于 2025-6-8 17:01:45 | 显示全部楼层
游客请登录后查看回复内容
回复 支持 反对

使用道具 举报

 楼主| 发表于 2025-6-8 18:00:38 | 显示全部楼层
游客请登录后查看回复内容
回复 支持 反对

使用道具 举报

发表于 2025-6-8 18:14:24 | 显示全部楼层
游客请登录后查看回复内容

本帖子中包含更多资源

您需要 登录 才可以下载或查看,没有账号?立即注册 微信登录

x
回复 支持 反对

使用道具 举报

发表于 2025-6-8 18:18:04 | 显示全部楼层
游客请登录后查看回复内容
回复 支持 反对

使用道具 举报

您需要登录后才可以回帖 登录 | 立即注册 微信登录

本版积分规则

APP|手机版|小黑屋|关于我们|联系我们|法律条款|技术知识分享平台

闽公网安备35020502000485号

闽ICP备2021002735号-2

GMT+8, 2025-12-19 02:40 , Processed in 0.187200 second(s), 12 queries , Gzip On, Redis On.

Powered by Discuz!

© 2006-2025 MyDigit.Net

快速回复 返回顶部 返回列表