数码之家

 找回密码
 立即注册

QQ登录

只需一步,快速开始

微信登录

微信扫一扫,快速登录

搜索
查看: 2588|回复: 10

把LM324和一堆电阻封到一起的小芯片!单节电量指示

[复制链接]
发表于 2023-1-22 21:24:43 | 显示全部楼层 |阅读模式

爱科技、爱创意、爱折腾、爱极致,我们都是技术控

您需要 登录 才可以下载或查看,没有账号?立即注册 微信登录

x
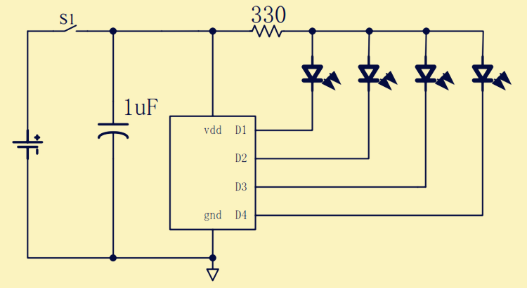
逛淘宝发现的!可以玩玩,4.5包邮10颗,单颗一毛多。
型号:
HX70A     HM1160





打赏

参与人数 4家元 +44 收起 理由
yinjiudong + 10 謝謝分享
moontree + 6 兔年大吉恭喜发财
ww5223017240 + 20 謝謝分享
海上生明月丶 + 8 兔年大吉恭喜发财

查看全部打赏

发表于 2023-1-22 21:41:42 | 显示全部楼层
还不错…………不知道需求会不会很大
回复 支持 反对

使用道具 举报

发表于 2023-1-22 21:58:03 | 显示全部楼层
本身耗电咋样
回复 支持 反对

使用道具 举报

发表于 2023-1-22 22:02:28 来自手机浏览器 | 显示全部楼层
谢分享,这个简单好用
回复 支持 反对

使用道具 举报

发表于 2023-1-22 22:20:20 | 显示全部楼层
愿意的话可以实物实测一下,看看误差有多大?
回复 支持 反对

使用道具 举报

发表于 2023-1-22 22:53:19 | 显示全部楼层
刚刚搜了一下,不是成品啊,还得打板做PCB,有谁能出个20串的PCB?
回复 支持 反对

使用道具 举报

发表于 2023-1-23 00:32:35 | 显示全部楼层
5分钱够封装的成本吗?
回复 支持 反对

使用道具 举报

发表于 2023-1-23 02:19:45 | 显示全部楼层
LED灯是否需要一直亮着,以便指示电压范围?如果是这样,那就有点耗电了,最好设计成上电时自动点亮1~2秒钟,把电池电量显示出来后,就自动关闭并进入睡眠状态。
回复 支持 反对

使用道具 举报

发表于 2023-1-23 07:53:49 来自手机浏览器 | 显示全部楼层
这个......玩不转,电量显示有成品
回复 支持 反对

使用道具 举报

发表于 2023-1-23 10:15:29 | 显示全部楼层
HX70A     HM1160
回复 支持 反对

使用道具 举报

发表于 2023-1-23 10:35:37 | 显示全部楼层
好小的引脚封装,得会找厂家做电路板,或者飞线,利用LED指示灯引脚掰弯连接芯片等。
回复 支持 反对

使用道具 举报

您需要登录后才可以回帖 登录 | 立即注册 微信登录

本版积分规则

APP|手机版|小黑屋|关于我们|联系我们|法律条款|技术知识分享平台

闽公网安备35020502000485号

闽ICP备2021002735号-2

GMT+8, 2025-11-2 23:09 , Processed in 0.124801 second(s), 12 queries , Gzip On, Redis On.

Powered by Discuz!

© 2006-2025 MyDigit.Net

快速回复 返回顶部 返回列表